The Lion Locomotive

Index
       Recent Pictures       Pictures       Video       Drawings       Wagging Banana       Patterns
History       Venus     Images       The Rescue        Revived       Links
       Meccano Magazine       Meccano Lion        Card Model       Butch


Rocking Shaft - the 'WAGGING BANANA'''
Banana Motion Link
Harrye says::
"It was in June 2004 when I started on the Lion replica.
I worked from sketches and some full size drawings by John Hawley of the Bristol Club. He was also Chairman of the OLD LOCOMOTIVE COMMITTEE - a Lion appreciation Society.
It was at the AGM in Manchester that the rocking shaft was first discussed. This is a highly visible working part and needs very careful reproduction. I attempted to make this part at a scale of 1:8 in a number of different ways - without much success..
Then, at the 2005 Bristol exhibition I met Lester Caine, a CNC expert and we had a long chat to see if it would be possible to reproduce the part using CNC. Lester contacted me after the show and I sent him photographs and a modified drawing of the rocking shaft. He produced two perfect patterns ready for casting. The method of production can be seen on his Web Site at:    http://medw.co.uk
from which the following information is extracted."
With grateful thanks too
Lester Caine for all his work

Pictures of the original

          
please click on images for fullsize picture

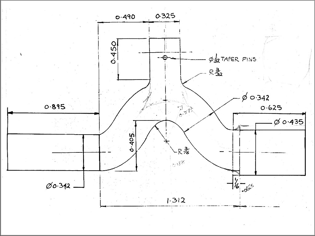
Supplied drawings for link

          

Note that these do not match the pictures, so the model has been laid out to more accurately match the pictures above. The arm flows smoothly from the link rather than having flat side as per the drawing.

Pro-Engineer model of the linkage displayed in MeshCAM

The difficult part of the model was getting the fillets right round the sides of the arm. Pro-engineer would not add these as the side did not actually terminate at the bend end since there is no single edge to follow.

MeshCAM settings to process the model to a tool path

Trial and error to find the best settings. The first trial pieces were made without the interpolate on, and so the surface is ridged. As soon as the interpolate was enabled the surface finish improved.

Machining on the MicroMilll

First roughing pass 32 minutes, first finish pass 26 minutes. The sample is then turned over and aligned on the other side. To assist this I drilled a 3mm hole through the centre line of the material which is then used to check that the 0,0 position is in exactly the right place on the back of the sample. Even taking great care to align the hole on the centre, a small offset of 0.02 or 3 inches still happened, but this can be removed before machining the back. The second side takes about the same time as the front, so a total machining time of under 2 hours. It would probably be quite practical to increase the cutting depth on the roughing cuts in MDF, but I need to find a more clean cutting material for pattern making.

If at first you don't succeed ....... try .. try .. try again

The main problem was finally tracked down to the Z axis, despite the appearance of the two side being offset in the Y axis. The two tools were supposed to be the same length, but it turned out that the 3mm ball nose was 0.01" longer than the 6mm. In addition, the 6mm was actually too tight to the surface of the material. As soon as this was backed off, and the overlay between the two halfs increased a clean sample was generated.

Finally achieved an acceptable sample

A pattern ready for casting. It would be nice now to cut this straight into brass, but that will need the model scaled a small amount since it is currently over size to allow for shrinkage.


The actual casting and pattern used

The rocking shaft in situ on the model

          
from Lester's pattern.

 Other Patterns